- Ứng dụng: Quạt, Nhà máy thông minh, Hệ thống sản xuất linh kiện điện tử, Máy gia công bảng mạch, Dây chuyền chế biến thực phẩm, Máy cắt, Máy phun nước, Máy chế biến thực phẩm, Dây chuyền sản xuất ô tô, xe máy, Máy bơm, Máy nghành bao bì ...
1. Thông số kỹ thuật biến tần Mitsubishi FR-E820-0.75K-1.
| Model: | FR-E820-0.75K-1 |
| Hãng sản xuất: | Mitsubishi |
| Xuất xứ: | Nhật Bản |
| Series: | E800 |
| Công suất: | 0.75kW |
| Điện áp đầu vào: | 3 phase 200-240VAC |
| Điện áp đầu ra: | 3 phase 0~220VAC |
| Dòng định mức đầu vào: | 7A (Tải ND) 8.2A (Tải LD) |
| Dòng định mức đầu ra: | 5A (Tải ND) 6A (Tải LD) |
| Khả năng chịu quá dòng: | 150%/1min, 200% 3secs (Tải ND) 120%/1min, 150% 3secs (Tải LD) |
| Momen khởi động: | * Chế độ điều khiển vector từ thông: 150% ở 0.5Hz * Chế độ điều khiển vector không cảm biến: 200% ở 0.3Hz (Dải công suất ≤ 3.7kW) 150% ở 0.3Hz (Dải công suất ≥ 5.5kW) |
| Chế độ điều khiển: | * Động cơ IM: V/F, điều khiển vectơ từ thông nâng cao, điều khiển vectơ không cảm biến * Động cơ PM: PM sensorless vector control |
| Tần số ngõ ra: | * Động cơ IM: 0.2 ~ 590 Hz * Động cơ PM: 0.2 ~ 400 Hz |
| Thời gian tăng / giảm tốc: | 0 ~ 3600s |
| Phanh DC: | * Động cơ IM: Tần số hoạt động (0 ~ 120 Hz), thời gian hoạt động (0 ~ 10s), điện áp hoạt động (0 ~ 30%) có thể thay đổi * Động cơ PM: Thời gian hoạt động (0 ~ 10s) có thể thay đổi, điện áp hoạt động (dòng điện hoạt động) được cố định. |
| Giới hạn momen xoắn: | Giá trị momen xoắn có thể điều khiển biến thiên từ 0 ~ 400% |
| Đầu vào số: | 07 (STF, STR, RH, RM, RL, MRS, RES) |
| Đầu vào analog: | 02 (0~10V, 0~5V, 0~20mA, 4~20mA) |
| Đầu vào xung: | Không |
| Đầu ra transistor: | 03 |
| Đầu ra relay: | 01 |
| Kết nối với PC: | Cổng USB mini |
| Truyền thông: | Modbus RTU |
| Chức năng ghi lỗi: | Hiển thị lỗi, ghi lại lịch sử 08 lỗi gần nhất |
| Làm mát: | Tự nhiên |
| Khối lượng: | 1.0 Kg |
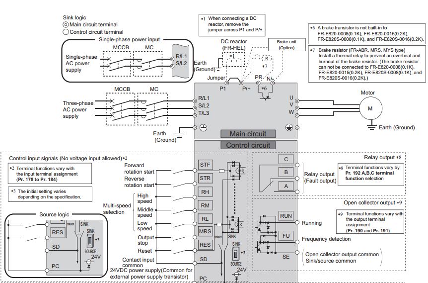
2. Sơ đồ đấu nối biến tần Mitsubishi FR-E820-0.75K-1
3. Kích thước biến tần Mitsubishi FR-E820-0.75K-1
4. Hướng dẫn lựa chọn biến tần Mitsubishi dòng E800
Thông tin liên hệ để được hỗ trợ tư vấn
Kỹ sư: NGUYỄN VĂN MINH - HP: 0384 577 377 (Zalo)
